PIC18F2550 hat geschrieben:Zwei Varianten geistern in meinen Kopf herum.
Die erste ist eine externe Version mit rs232 und die andere für das 19" Teil.
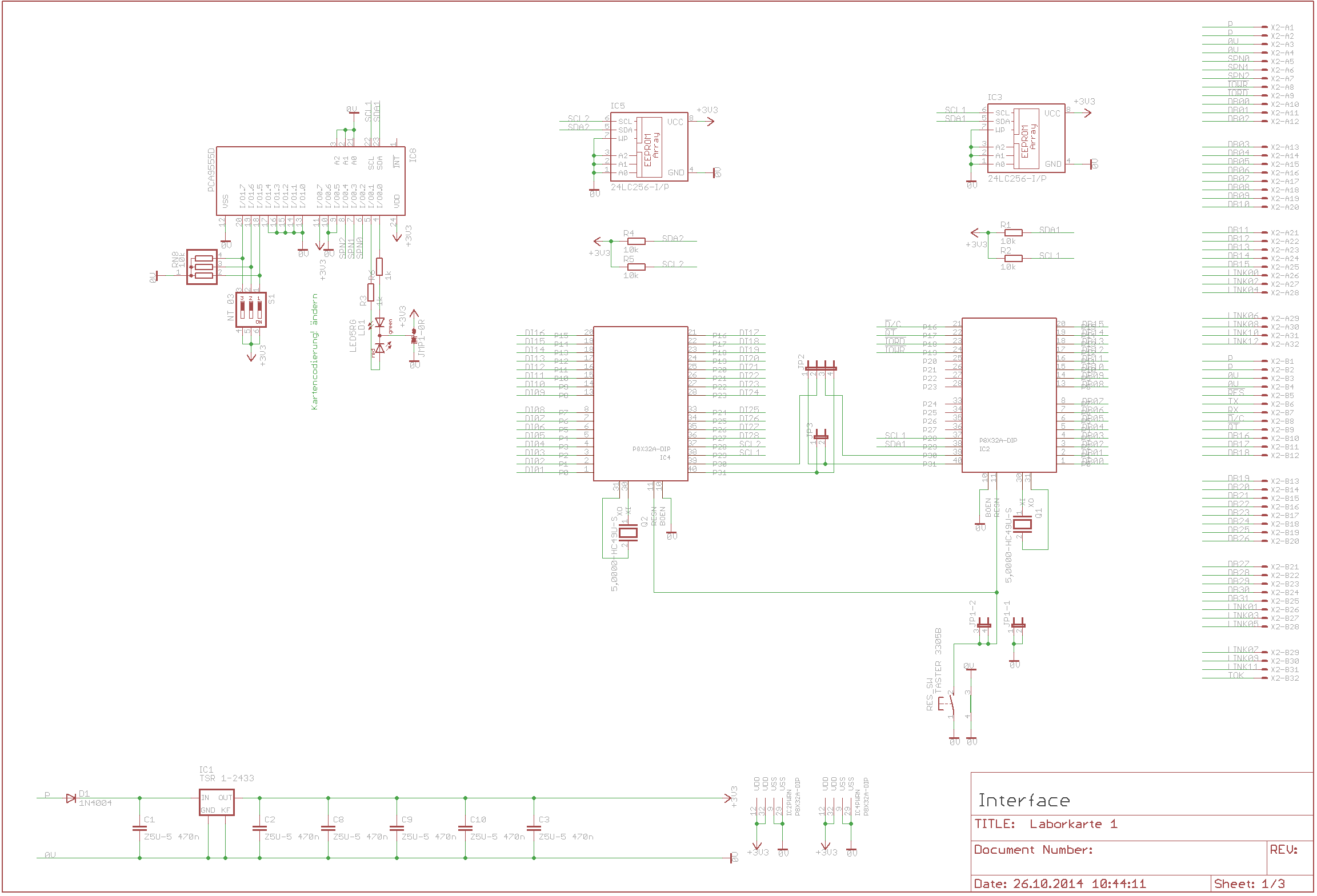
Es werden keine Puffer verbaut.Es werden Pegel bis 5V verarbeitet.
Zur Anpassung kommen ein Wiederstand und zwei Schutz Dioden.
Hmmmmmm.................die RS232-Variante wird wohl so einige Nachbauer interessieren, die für Dein 19" Reck wohl weniger.
Warum keine Puffer?
Wenn ich mal meine angedachte Version mit 74LVX244 betrachte ist die günstiger als Deine Widerstands-Schutzdioden-Konstruktion. Wenn ich die Preise so vergleiche muß ich ca. 7 Flaschen für die 4 Octal-Puffer nebst Stützkondensatoren sammeln und Du für die Widerstände und Dioden um die 20.

(Mir fiel grad wieder der Held der drahtlosen Kommunikation ein)
Ein Vorteil, meiner unmaßgeblichen Meinung nach, ist die etwas günstigere Spannungsfestigkeit (Höhe der Eingangsspannung) der Schutzdiodenkonstruktion bei Leuten die nicht wissen was sie tun.
Währungsumrechnung : Maßgebend ist das Einweg-Pfandflasche mit 0,25€
Gruß
TuxFan
Wunder gibt es immer wieder.......