ESP8266 ... der Tipping-Point ist erreicht!!!

Alle Projekte hier herein, egal ob mit einem Atmel, Pic, oder einen anderen µC realisiert
Benutzeravatar
yeti
Beiträge: 2350
Registriert: Fr 27. Aug 2010, 14:48
Wohnort: Wrong Planet
Kontaktdaten:

Re: ESP8266 ... der Tipping-Point ist erreicht!!!

Beitrag von yeti »

PIC18F2550 hat geschrieben:wie hoch ist eigendlich die Strohmaufnahme eines ESP8266?
[Andreas Spiess] hat im oben erwähnten Video beim aktiven WiFi-eren kurze Spitzen bis 380mA und überwiegend einen Bodensatz von 80mA demonstriert. Ohne WiFi laufen und schlafen kann das ESPchen aber effizienter.

—▷ #47 Power Saving with ESP8266 (Sleep Mode) Tutorial with some Tricks
—▷ #58 ESP8266 Sensor runs 17 days on a coin cell/transmits data to sparkfun.com and ubidots.com
—▷ #60 How to use the RTC Memory in ESP8266 and reduce power consumption by factor of 10 (Tutorial)
—▷ #91 How to properly power the ESP8266 modules
PIC18F2550 hat geschrieben:Könnte ich da auch alte Software vom UNO zum laufen bekommen?
Die Pins sind in Anzahl und Funktion nicht identisch und die ESPchen beherrschen auch nicht jedes Feature der ATmegas, z.B. das Hardware-I2C-Slave-Spielen. Es kommt also sehr auf den konkreten Einzelfall an.
𝖂𝖎𝖗 𝖐𝖔̈𝖓𝖓𝖊𝖓 𝖆𝖑𝖑𝖊𝖘 𝖆𝖚𝖘𝖘𝖊𝖗 𝖎𝖓 𝕱𝖗𝖚̈𝖍𝖑𝖎𝖓𝖌, 𝕾𝖔𝖒𝖒𝖊𝖗, 𝕳𝖊𝖗𝖇𝖘𝖙 𝖚𝖓𝖉 𝖂𝖎𝖓𝖙𝖊𝖗! – 𝕯𝖊𝖚𝖙𝖘𝖈𝖍𝖑𝖆𝖓𝖉.
"Du willst hier nicht klicken. Dies interessiert Dich nicht." — Yeti.
"DNA is a four letter word!" — Yeti.
Benutzeravatar
PIC18F2550
Beiträge: 2857
Registriert: Fr 30. Sep 2011, 13:08

Re: ESP8266 ... der Tipping-Point ist erreicht!!!

Beitrag von PIC18F2550 »

Hmm 80mA währe ok nur die Spitzen würden etwas pflege benötigen

Was müsste darein.

4x PWM
1x I2C
1x RX/TX
1x ADC
2x digital out
2x digital in

Interresant währe auch die Stromaufnahme eines ESP32 und ob er besser geeignet währe.

Ich suche einen ersatz für dem Atmega32u4 der immer schwerer zu erhalten ist.
Gruß
PIC18F2550

drone265/278
Barbarus hic ergo sum, quia non intellegor ulli.
Ein Barbar bin ich hier, da ich von keinem verstanden werde.
ʎɐqǝ ıǝq ɹnʇɐʇsɐʇ ǝuıǝ ɹǝpǝıʍ ǝıu ǝɟnɐʞ ɥɔı ´uuɐɯ ɥo
Benutzeravatar
yeti
Beiträge: 2350
Registriert: Fr 27. Aug 2010, 14:48
Wohnort: Wrong Planet
Kontaktdaten:

Re: ESP8266 ... der Tipping-Point ist erreicht!!!

Beitrag von yeti »

PIC18F2550 hat geschrieben:Hmm 80mA währe ok nur die Spitzen würden etwas pflege benötigen
1000µF Elko.
PIC18F2550 hat geschrieben:Was müsste darein.

4x PWM
Ich glaub PWM kann der ESP8266 nur auf 3 Pins gleichzeitig. Aber befrag besser nochmal den Find-O-Maten Deines Vertrauens.
PIC18F2550 hat geschrieben:1x I2C
Nur als I2C-Master. Es soll eine I2C-Slave-Variante per Bit-Wedeln geben, aber das hab ich noch nicht gesucht und näher beäugt.
PIC18F2550 hat geschrieben:1x RX/TX
1x ADC
2x digital out
2x digital in
Etliche der Pins haben Mehrfachbelegungen. Ob Deine Wünsche parallel funktionieren, hab ich noch nicht testweise durchgepuzzelt, aber wegen der fehlenden 4ten PWM-Möglichkeit ist's vielleicht eh schon durchgefallen...
PIC18F2550 hat geschrieben:Interresant währe auch die Stromaufnahme eines ESP32 und ob er besser geeignet währe.
Ich hab die schlaue Ente noch nicht dazu befragt und meine künftigen ESP32er sind erst seit gestern bestellt und brauchen noch etwas Zeit bis Carlo Posti sie mir überreicht.

Das folgende Video enthält ein paar Worte zum Stromhunger der ESP32er in verschiedenen Situationen:

—▷ #179 Was it worth waiting for Bluetooth? How Much Current Needs the ESP32 Bluetooth in BLE?

...und dann stolperte ich mehr oder weniger zufällig über etwas. Arduinosches AnalogWrite ist noch nicht richtig in der Ardunino-ESP32-Umgebung angekommen. aber es wird ein Ausweg genannt:

—▷ https://github.com/espressif/arduino-es ... ent-status
PIC18F2550 hat geschrieben:Ich suche einen ersatz für dem Atmega32u4 der immer schwerer zu erhalten ist.
Wenn Du kein WiFi brauchst sind die Blue-Pills vielleicht eine Alternative?
𝖂𝖎𝖗 𝖐𝖔̈𝖓𝖓𝖊𝖓 𝖆𝖑𝖑𝖊𝖘 𝖆𝖚𝖘𝖘𝖊𝖗 𝖎𝖓 𝕱𝖗𝖚̈𝖍𝖑𝖎𝖓𝖌, 𝕾𝖔𝖒𝖒𝖊𝖗, 𝕳𝖊𝖗𝖇𝖘𝖙 𝖚𝖓𝖉 𝖂𝖎𝖓𝖙𝖊𝖗! – 𝕯𝖊𝖚𝖙𝖘𝖈𝖍𝖑𝖆𝖓𝖉.
"Du willst hier nicht klicken. Dies interessiert Dich nicht." — Yeti.
"DNA is a four letter word!" — Yeti.
Benutzeravatar
PIC18F2550
Beiträge: 2857
Registriert: Fr 30. Sep 2011, 13:08

Re: ESP8266 ... der Tipping-Point ist erreicht!!!

Beitrag von PIC18F2550 »

unter 50mA bei 260 ist absolut io.
WiFi kähme da noch dazu +300mA (nur bei Telemetriedaten)

Hmm, analogwerte muss ich nur lesen aber werde ich noch mal beäugen müssen.

STM? hab ich noch nicht in der Mache gehabt.
Die Programmierung braucht da wieder neues Material.
Gruß
PIC18F2550

drone265/278
Barbarus hic ergo sum, quia non intellegor ulli.
Ein Barbar bin ich hier, da ich von keinem verstanden werde.
ʎɐqǝ ıǝq ɹnʇɐʇsɐʇ ǝuıǝ ɹǝpǝıʍ ǝıu ǝɟnɐʞ ɥɔı ´uuɐɯ ɥo
Benutzeravatar
PIC18F2550
Beiträge: 2857
Registriert: Fr 30. Sep 2011, 13:08

Re: ESP8266 ... der Tipping-Point ist erreicht!!!

Beitrag von PIC18F2550 »

Ich hab mir mal 4 ESP8266 bestellt.
Mal sehen was ich noch alles machen kann.

CP/M ... Da gibts nur eine i8080 variante die Z80 läst auf sich warten.
Das ist genauso wie beim Propeller. :(
Gruß
PIC18F2550

drone265/278
Barbarus hic ergo sum, quia non intellegor ulli.
Ein Barbar bin ich hier, da ich von keinem verstanden werde.
ʎɐqǝ ıǝq ɹnʇɐʇsɐʇ ǝuıǝ ɹǝpǝıʍ ǝıu ǝɟnɐʞ ɥɔı ´uuɐɯ ɥo
Benutzeravatar
yeti
Beiträge: 2350
Registriert: Fr 27. Aug 2010, 14:48
Wohnort: Wrong Planet
Kontaktdaten:

Re: ESP8266 ... der Tipping-Point ist erreicht!!!

Beitrag von yeti »

PIC18F2550 hat geschrieben:STM? hab ich noch nicht in der Mache gehabt.
Die Programmierung braucht da wieder neues Material.
Das geht auch per nachzuladende Arduino-Erweiterung. Der ST-Link-Kram (vermutlich das was man bei anderen MCUs I(C)SP-Programmierer nennt) kostet auch nur 'n Appel und 'n Ei und wird im Zweifel wohl auch überwiegend nur zum Bootloader-Installieren gebraucht.

Ich meide diese bislang, weil ich schon genug verschiedene Toolchains und Chips am Bein hab und verstehe insofern diesbezügliche Zurückhaltung vollstenst!
PIC18F2550 hat geschrieben:Ich hab mir mal 4 ESP8266 bestellt.
Ich hab grad erst 4 vermutlich identische ESP32-Boards bei 3 verschieden schnellen und verschieden günstigen Anbietern geordert und warte so nun auf 3 Rennkamele, die das neue Spielzeug bringen sollen. ESP8266-Vorräte sollte ich noch genug haben, aber mehr nackische Module als Devboards.
PIC18F2550 hat geschrieben:Mal sehen was ich noch alles machen kann.
Wenn Dir da Pins fehlen, kannste per SPI oder I2C für externe Mitarbeiter sorgen oder nach 'ner Warmwerdphase auf ESP32 umsteigen.
PIC18F2550 hat geschrieben:CP/M ... Da gibts nur eine i8080 variante die Z80 läst auf sich warten.
Das ist genauso wie beim Propeller. :(
???
Es gibt diverse CP/M-Clones und sicherlich ist da der Eine oder Andere auch nur aufm Z80 lauffähig. Ein 8080-CP/M kann Z80-Programme rennen lassen, wenn im Rechner ein Z80 steckt. Z.B. Turbo-Pascal braucht zwingend einen Z80, rennt aber problemlos auf CP/M-8080, so dies auf einem Z80-Rechner installiert ist.
𝖂𝖎𝖗 𝖐𝖔̈𝖓𝖓𝖊𝖓 𝖆𝖑𝖑𝖊𝖘 𝖆𝖚𝖘𝖘𝖊𝖗 𝖎𝖓 𝕱𝖗𝖚̈𝖍𝖑𝖎𝖓𝖌, 𝕾𝖔𝖒𝖒𝖊𝖗, 𝕳𝖊𝖗𝖇𝖘𝖙 𝖚𝖓𝖉 𝖂𝖎𝖓𝖙𝖊𝖗! – 𝕯𝖊𝖚𝖙𝖘𝖈𝖍𝖑𝖆𝖓𝖉.
"Du willst hier nicht klicken. Dies interessiert Dich nicht." — Yeti.
"DNA is a four letter word!" — Yeti.
Benutzeravatar
PIC18F2550
Beiträge: 2857
Registriert: Fr 30. Sep 2011, 13:08

Re: ESP8266 ... der Tipping-Point ist erreicht!!!

Beitrag von PIC18F2550 »

Kann der ESP6288 auch von SD Karte oder EEPROM Booten?
Gruß
PIC18F2550

drone265/278
Barbarus hic ergo sum, quia non intellegor ulli.
Ein Barbar bin ich hier, da ich von keinem verstanden werde.
ʎɐqǝ ıǝq ɹnʇɐʇsɐʇ ǝuıǝ ɹǝpǝıʍ ǝıu ǝɟnɐʞ ɥɔı ´uuɐɯ ɥo
Benutzeravatar
yeti
Beiträge: 2350
Registriert: Fr 27. Aug 2010, 14:48
Wohnort: Wrong Planet
Kontaktdaten:

Re: ESP8266 ... der Tipping-Point ist erreicht!!!

Beitrag von yeti »

PIC18F2550 hat geschrieben:Kann der ESP6288 auch von SD Karte Booten?
Die infos darüber sind noch nicht dokumentiert. Es gibt ein paar Leitungen, mit denen angäblich gewählt werden kann ob das Ding von Seriell, Flash oder SD bootet, aber ich hab noch nirgendwo gesehen, daß das jemand tatsächlich benutzt hat.

Schade eigentlich!
𝖂𝖎𝖗 𝖐𝖔̈𝖓𝖓𝖊𝖓 𝖆𝖑𝖑𝖊𝖘 𝖆𝖚𝖘𝖘𝖊𝖗 𝖎𝖓 𝕱𝖗𝖚̈𝖍𝖑𝖎𝖓𝖌, 𝕾𝖔𝖒𝖒𝖊𝖗, 𝕳𝖊𝖗𝖇𝖘𝖙 𝖚𝖓𝖉 𝖂𝖎𝖓𝖙𝖊𝖗! – 𝕯𝖊𝖚𝖙𝖘𝖈𝖍𝖑𝖆𝖓𝖉.
"Du willst hier nicht klicken. Dies interessiert Dich nicht." — Yeti.
"DNA is a four letter word!" — Yeti.
Benutzeravatar
PIC18F2550
Beiträge: 2857
Registriert: Fr 30. Sep 2011, 13:08

Re: ESP8266 ... der Tipping-Point ist erreicht!!!

Beitrag von PIC18F2550 »

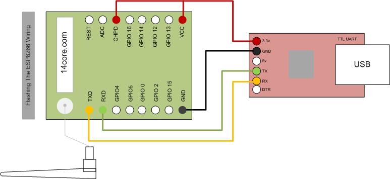
das war der hinweis.
Dateianhänge
ESP8266-Version-7-Flashing-TTL-UART.jpg
ESP8266BootOptionsb.jpg
Gruß
PIC18F2550

drone265/278
Barbarus hic ergo sum, quia non intellegor ulli.
Ein Barbar bin ich hier, da ich von keinem verstanden werde.
ʎɐqǝ ıǝq ɹnʇɐʇsɐʇ ǝuıǝ ɹǝpǝıʍ ǝıu ǝɟnɐʞ ɥɔı ´uuɐɯ ɥo
Benutzeravatar
yeti
Beiträge: 2350
Registriert: Fr 27. Aug 2010, 14:48
Wohnort: Wrong Planet
Kontaktdaten:

Re: ESP8266 ... der Tipping-Point ist erreicht!!!

Beitrag von yeti »

Die Umschaltung mit GPIO0 zum Blitzdingsen benutzt man ja dauernd bei all den Boards.
Aber das Booten von SD hab ich noch nirGÄHNdwo in Äcktschönn gesehn...

——————————
Wahlwerbung der Schläferpartei:

Nach IT-, Bildungs- und Integrationsgipfel:
Deutschland braucht einen Schlafgipfel!
Nur eine ausgeschlafene Republik ist eine Republik mit Zukunft!
Die Schlafab- und -unterbrecherquote muß mindestens halbiert werden!
Schlafen muß wieder zur Chefsache werden!
Deutschland muß zur Schlafrepublik werden!
𝖂𝖎𝖗 𝖐𝖔̈𝖓𝖓𝖊𝖓 𝖆𝖑𝖑𝖊𝖘 𝖆𝖚𝖘𝖘𝖊𝖗 𝖎𝖓 𝕱𝖗𝖚̈𝖍𝖑𝖎𝖓𝖌, 𝕾𝖔𝖒𝖒𝖊𝖗, 𝕳𝖊𝖗𝖇𝖘𝖙 𝖚𝖓𝖉 𝖂𝖎𝖓𝖙𝖊𝖗! – 𝕯𝖊𝖚𝖙𝖘𝖈𝖍𝖑𝖆𝖓𝖉.
"Du willst hier nicht klicken. Dies interessiert Dich nicht." — Yeti.
"DNA is a four letter word!" — Yeti.
Antworten