Hive 186 lebt !

Erlebnisse und Schilderungen über die Arbeiten an eurem HIVE.
Antworten
Benutzeravatar
Hoffi1965
Beiträge: 24
Registriert: Do 11. Nov 2010, 22:36
Wohnort: Offenbach

Hive 186 lebt !

Beitrag von Hoffi1965 »

Hallo Leute,
ich habe die ganze Nacht gelötet und es ist vollbracht:
Hive S/N: 186 lebt.

Hat alles ohne Probleme geklappt.
Die zwei 1 nF-Kondensatoren aus dem Audio-Teil, die in der BOM gefehlt hatten, habe ich noch von einem anderen Projekt übrig und habe sie bestückt.
Die Chinch-Buchse für den Video-Ausgang hat Reichelt nicht gehabt, die habe ich erst mal weggelassen.
Die L1 aus dem NIC-Teil habe ich auch erstmal weggelassen, bis mir bekannt ist, was für eine Drossel bestückt werden muß.
Den SD-Karten-Slot habe ich mit ganz wenig 2-Komponenten-Kleber (Araldit) geklebt, da ich keinen Sekundenkleber hatte. Hat aber auch funktioniert. Ich hatte erst Angst, daß die Mechanik verklebt, aber es hat funktioniert.
Kühlkörper habe ich einen kleinen montiert, Spannungen gemessen: 4,998 V und 3,299 V.
Propeller-Chips habe ich eben programmiert.
Jetzt fangen meine ausführlichen Tests an. Ich werde weiter darüber berichten. :lol:
Hive 186 nach ersten Tests
Hive 186 nach ersten Tests
Dateianhänge
Hive 186
Hive 186
Benutzeravatar
drohne235
Administrator
Beiträge: 2284
Registriert: So 24. Mai 2009, 10:35
Wohnort: Lutherstadt Wittenberg
Kontaktdaten:

Re: Hive 186 lebt !

Beitrag von drohne235 »

Klasse! :) Das aktuelle TriOS (ist aber noch eine ARbeitsversion) findest Du hier:

Link : http://code.google.com/p/hive-trios/downloads/list

Im einfachsten Fall nimmt man das Archiv "hive-trios-bin-26-11-2010-dr235.rar", welches keine Quelltexte enthält. Aber ich denke jeder will mal ins Getriebe schauen und selbst programmieren - dann ist das zweite Archiv mit den Quelltexten richtig.

Funktioniert dein Hostinterfache über den MAX232 zum PC?
"Ob Sie denken, dass Sie es können, oder ob Sie denken, dass Sie es nicht können - in beiden Fällen haben Sie recht." Henry Ford
Benutzeravatar
Hoffi1965
Beiträge: 24
Registriert: Do 11. Nov 2010, 22:36
Wohnort: Offenbach

Re: Hive 186 lebt !

Beitrag von Hoffi1965 »

Das Hostinterface über MAX232 funktioniert.
Das konnte ich jetzt erst testen, weil ich noch das Adapterkabel zusammenlöten musste.
Zum Programmieren der Propeller-Chips habe ich nicht den Parallax PropPlug genommen, sondern einen anderen von Parallax (der ist wohl für die Basic-Stamp und kann nur 5 V).
Das war der einzige, der sofort lieferbar war und er war sogar billiger als der PropPlug. Der Programmieradapter ist voll kompatibel (gleicher FTDI-Chip), ich musste nur eine Leiterbahn unterbrechen und eine kleine Drahtbrücke machen, dann konnte er 3,3 V. Für die 4-polige Stiftleiste zum Hive habe ich mir einen Adapter gelötet als Anpassung für die falsche Pinbelegung. Hat sofort funktioniert !
Jetzt werde ich mal TriOS probieren.
Mal sehen, ob ich es sofort klappt.
Werde aber vorher wohl noch ein paar weitere Tests mit dem Hive 186 machen.
Gruß
Michael
:D
Benutzeravatar
drohne235
Administrator
Beiträge: 2284
Registriert: So 24. Mai 2009, 10:35
Wohnort: Lutherstadt Wittenberg
Kontaktdaten:

Re: Hive 186 lebt !

Beitrag von drohne235 »

Hoffi1965 hat geschrieben: Das Hostinterface über MAX232 funktioniert.
Sehr gut, damit wäre das auch getestet.
Das war der einzige, der sofort lieferbar war und er war sogar billiger als der PropPlug. Der Programmieradapter ist voll kompatibel (gleicher FTDI-Chip), ich musste nur eine Leiterbahn unterbrechen und eine kleine Drahtbrücke machen, dann konnte er 3,3 V. Für die 4-polige Stiftleiste zum Hive habe ich mir einen Adapter gelötet als Anpassung für die falsche Pinbelegung. Hat sofort funktioniert !
Hast du mal die genaue Bezeichnung von dem Adapter? Warum die Unterbrechung/Brücke - lief der Adapter nur mit 5V? Wäre interessant, falls jemand den gleichen Typ bestellt.
"Ob Sie denken, dass Sie es können, oder ob Sie denken, dass Sie es nicht können - in beiden Fällen haben Sie recht." Henry Ford
Benutzeravatar
Hoffi1965
Beiträge: 24
Registriert: Do 11. Nov 2010, 22:36
Wohnort: Offenbach

Re: Hive 186 lebt !

Beitrag von Hoffi1965 »

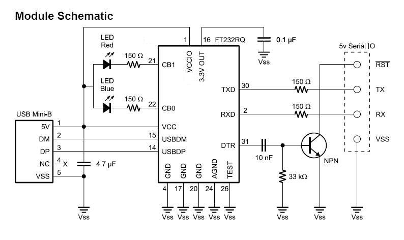
Also, ich habe den Parallax USB2SER mit der #28024 für 12,95 Euro gekauft.
Er ist Hardwaremäßig nur für 5 V geeignet (siehe anhängenden Schaltplan).
Den Schaltplan vom Parallax Prop Plug mit der #32201 habe ich auch angehängt.

Es betrifft nur die Pins 1 und 16.
Pin 16 ist ein reiner 3,3 V Spannungsausgang zur Versorgung von angeschlossenen Komponenten (max. 50 mA).
Pin 1 (VCCIO) ist ein Eingang, der je nach angelegter Spannung den Ausgangsbus mit der entsprechenden Spannung versorgt (3,3 V oder 5 V).
Beim USB2SER ist Pin 1 (VCCIO) an 5 V der USB-Buchse gelegt (deshalb auch 5 V auf dem Ausgang).
Beim Prop Plug ist Pin 1 (VCCIO) mit Pin 16 (3,3 V OUT) verbunden, deshalb 3,3 V auf dem Bus.
Man muß nur die Leiterbahn, die von der Anode der beiden LEDs zum Pin 1 (VCCIO) geht mit einem scharfen Messer trennen und eine Brücke von Pin 1 zum Pin 16 des FTDI Chips machen (die kleine Durchkontaktierung neben Pin 1 zu dem Kondensator 0,1 Mikrofarad). Mit ganz dünnem (0,25 mm, dann geht er auch durch die Durchkontaktierung) isoliertem Draht geht das sehr gut.
Man kann sich auch überlegen, dies über einen Jumper umschaltbar zu machen.
Die IO-Ausgänge RX, TX, RST und VSS habe ich über ein Adapterkabel, welches man ja sowieso braucht, entsprechend für den Hive gebrückt und beschriftet.
Gruß
Michael
Prop Plug
Prop Plug
Dateianhänge
USB2SER
USB2SER
Benutzeravatar
Hoffi1965
Beiträge: 24
Registriert: Do 11. Nov 2010, 22:36
Wohnort: Offenbach

Re: Hive 186 lebt !

Beitrag von Hoffi1965 »

Alle Tests des Hive 186 sind erfolgreich abgeschlossen. Es funktioniert alles.
Mit der Soundausgabe bin ich nicht so zufrieden, da habe ich überlagert zu dem normalen Ton ein Pfeifen und Zwitschern. Das kann ich mir jetzt noch nicht erklären, wo das herkommt. Ich habe ganz normale 15 Euro PC-Aktivboxen dran, die am PC einwandfrei funktionieren. Am AD_BRDG habe ich keine Brücken drin und die Bestückung stimmt auch (1:1 wie in der BOM, incl. der zwei 1.0 nF Kondensatoren).
Aber sonst bin ich sehr zufrieden ! :lol:
Jetzt werde ich mal ins TriOS einsteigen...
Und der Hive 187 ist kurz vor der Fertigstellung !
Gruß
Michael
Dateianhänge
Tests des Hive 186 abgeschlossen
Tests des Hive 186 abgeschlossen
Soundtest (leider mit Zwitschern)
Soundtest (leider mit Zwitschern)
Hive 186 Speichertest
Hive 186 Speichertest
Hive 186 noch mit kleinem Kühlkörper
Hive 186 noch mit kleinem Kühlkörper
Hive 186 beim Testen
Hive 186 beim Testen
Benutzeravatar
Hoffi1965
Beiträge: 24
Registriert: Do 11. Nov 2010, 22:36
Wohnort: Offenbach

Re: Hive 186 lebt !

Beitrag von Hoffi1965 »

Soundproblem gelöst:
Jumper auf 2 und 3 an der AD_BRDG gesteckt (schaltet Audio links und rechts auf die Klinkenbuchse). Mein schlechter Ton war wohl eine Masseverschleifung, da die Jumper gefehlt hatten.

Videoausgabe ist auch OK. Ich habe jetzt die Cinchbuchse von Reichelt bekommen und eingebaut.

Gruß
Michael :P
Benutzeravatar
drohne235
Administrator
Beiträge: 2284
Registriert: So 24. Mai 2009, 10:35
Wohnort: Lutherstadt Wittenberg
Kontaktdaten:

Re: Hive 186 lebt !

Beitrag von drohne235 »

Klasse! :) Ein Hive ohne Herzschlag und Sound wäre auch irgendwie nur eine halbe Sache. Und der TV-Modus muss auch sein für ein richtiges Retro-Feeling.

Den DIP-Schalter hast du gesockelt wie ich sehe. Gibt das richtig Kontakt, dann könnte man das prinzipiell empfehlen? Wenn du den anderen Kühlkörper drauf hast, würde mich nochmal ein Bild/Hinweis interessieren wie sich dieses Teil verbaut.

Hey, freut mich wirklich wenn es dir Spaß macht. Das ist schließlich der einzige Grund warum es den Hive gibt! Ich weiß ja nicht ob du schon ein wenig mit der Software experimentiert hast, aber die Einfachheit der Programmierung - sofern man bei SPIN bleibt - hat mich enorm fasziniert. Natürlich hab ich nur mit einem Chip (Bella) angefangen, aber bei einer klaren und flachen Struktur ist das auch einfach über, wenn man alle drei Chips benutzt. Da du grad beim TV-Modus bist: Wenn ich überlege, wie lange ich bei meinen ersten Rechnern gebraucht hab, bis ein erstes Zeichen auf einem TV (inklusive Dreipunktoszillator und Spule wicklen: http://hc-ddr.hucki.net/wiki/doku.php/homecomputer:bcs3) erschienen ist - da ist der Propeller wirklich eine Offenbarung! Es ist erstaunlich, wie "unbeschwert" man so vor sich hinbasteln kann... ;) Das hab ich auch bei dem magischen Auge gesehen - ein Sensor, ein Motor und ein RGB-Stripe und los geht der Spaß. Die ganze Motor- und LED-Steuerung plus Sensorabfrage - alles in ein paar Zeilen SPIN. :)

Und SPIN ist zumindest so einfach, das man auch mal ein paar Tage oder Wochen was anderes machen und trotzdem wieder problemlos einsteigen kann, wenn man Lust hat.
"Ob Sie denken, dass Sie es können, oder ob Sie denken, dass Sie es nicht können - in beiden Fällen haben Sie recht." Henry Ford
Benutzeravatar
Hoffi1965
Beiträge: 24
Registriert: Do 11. Nov 2010, 22:36
Wohnort: Offenbach

Re: Hive 186 lebt !

Beitrag von Hoffi1965 »

Das mit dem gesockelten DIP-Schalter geht sehr gut. Er sitzt sehr fest, man muß richtig fest hebeln, bis man ihn herausbekommt. Man kann je nach Gehäuse den DIP-Schalter jetzt nach Aussen führen. Als Sockel habe ich einen 14-poligen Präzisions-IC-Sockel genommen und ihn auf 12-Pins gekürzt.
Ein Foto mit dem großen Kühlkörper liefere ich nach.

Update: TriOS in der neuesten Version mit RTC-Patch geflasht.
Hat sofort funktioniert.
RTC-Patch ins TriOS kopiert, MAKE.BAT aufgerufen, die 3 Files in Administra, Bellatrix und Regnatix geflasht, SD-Karte mit 2 GB mit FAT16 formatiert und die SD-Files draufgespielt.
Hat sofort gebootet. Ich habe dann ein paar Tests und Demos aufgerufen. Lief sehr stabil.
Maus, Tastatur, VGA, Sound ---- alles OK.

RTC mit "DATE S" gestellt.
Stromlos gemacht und dann mit SYSINFO kontrolliert: Uhr hat korrekte Zeit !

Gruß
Michael :lol:
Antworten