Der "Aufbau" ist bisher problemlos verlaufen (Abgesehen von der Tatsache dass mir Reichelt ohne Grund DIP-Schalter und Keyboard-Buchse mit dem Hinweis "BITTE NEU BESTELLEN" nicht geliefert hat....).
Da ich erst heute die Propeller Microcontroller bestellen konnte und ich nächste Woche keine Zeit habe, habe ich das "Mainboard" ohne große Funktionstests (vom Messen der anliegenden Spannungen abgesehen) zusammengebaut.
Ich werde das vermutlich später bereuen... Ich bin eben nicht die Geduld in Person

Von unten sieht es für einen Lötanfänger, meiner bescheidenen Meinung nach, ganz in Ordnung aus.

Heute also 3 Propeller hier im Shop bestellt, DIP-Schalter und PS/2-Buchse für insgesamt 7€ vom allseits bekannten Online-Auktionshaus und noch einen fehlenden SD-Connector vom gleichen Auktionshaus, jedoch aus einem Land namens Macau (wo auch immer das liegt
Nun also meine Fragen:
- Ich habe bisher ein Netzteil mit 9V und eine Stromstärke von 600 mA verwendet. Für die Power-LED hat das bisher immer gereicht (
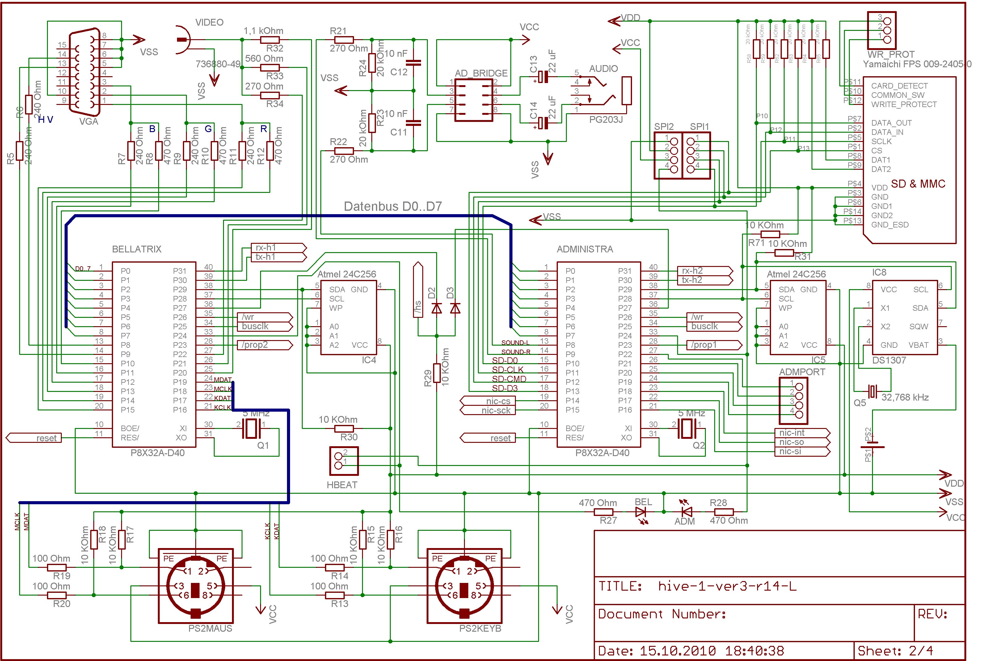
- Da ich irgendwann einen vollständig bestückten HIVE möchte, wollte ich noch wissen wie es mit den Kondensatoren C9/C10 beim Audio-Ausgang aussieht. So wie ich es gelesen habe müssen die wohl mit 100 nF Kondesatoren bestückt werden. Und wenn ich nun die Audio-Bridge Pins behalten will, muss ich R72 und R74 mit 1,2 kOhm bestücken. Liege ich da richtig ?
Noch einen schönen Samstagabend wünscht:
- CChako